Langsung ke konten utama

[38+] 2005 Cadillac Cts Radio Wiring Diagram, 2003 Cadillac Cts Stereo Wiring Diagram - Wiring Diagram Source

2005 Cadillac Cts Radio Wiring Diagram 52 2003 Cadillac Cts Radio Wiring Diagram

2000 cadillac deville car stereo wiring diagram

Aftermarket stereo radio nissan armada wiring cts cadillac 2008 electrical types. 2005 cadillac cts aftermarket radio. Chrysler kia imageservice 300m uconnect tcm schematics 1997. 2003 cadillac cts stereo wiring

52 2003 Cadillac Cts Radio Wiring Diagram - Wiring Diagram Plan

52 2003 Cadillac Cts Radio Wiring Diagram - Wiring Diagram Plan

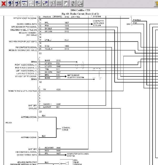
2008 Cadillac Cts Aftermarket Stereo - Seanallop

2008 Cadillac Cts Aftermarket Stereo - Seanallop

47 2006 Cadillac Cts Radio Wiring Diagram - Wiring Diagram Source Online

47 2006 Cadillac Cts Radio Wiring Diagram - Wiring Diagram Source Online

2005 Cadillac Sts Bose Wiring Diagram

2005 Cadillac Sts Bose Wiring Diagram

Cadillac Cts 2007 Radio Wiring Harness | schematic and wiring diagram

Cadillac Cts 2007 Radio Wiring Harness | schematic and wiring diagram

Komentar

Postingan populer dari blog ini

[Get 34+] Bild London Telefonzelle

Get Images Library Photos and Pictures. London Telefonzelle print as a poster 11635493 | Fine ... Rote Telefonzelle, London, Südengland, England, Großbritannien, Europa London - Telefonzelle napkin Artland Wandbild »London Telefonzelle« | Moebel-Suchmaschine | ladendirekt.de

[23+] Lampadaires Design Minimaliste | Lampadaire fini en argent vieilli chez M..

Lampadaire noir Opal Arc LED | Lampadaire noir, Lampadaire, Lampes salon lampadaire arc contemporain luminaire

18 Sudan Flag Flag svg sudan file wikimedia commons pixels

If you are searching about Flag Of Sudan: Royalty-free video and stock footage you've visit to the right place. We have 9 Pictures about Flag Of Sudan: Royalty-free video and stock footage like The Difference Between Sudan and America – The A-Blast, Flag of the Sudan | Britannica.com and also Sudan Flag-Post Sudan | Even its Old but still we love it ..… | Flickr. Here you go: Flag Of Sudan: Royalty-free Video And Stock Footage us.clipdealer.com sudan flag footage File:Flag Of Sudan.svg - Wikimedia Commons commons.wikimedia.org flag svg sudan file wikimedia commons pixels Egypt Mod For Hearts Of Iron IV - Mod DB www.moddb.com egypt flag mod The Difference Between Sudan And America – The A-Blast www.thea-blast.org sudan flag america blast difference between sudanese South Sudan Flag | High-Quality Abstract Stock Photos ~ Creative Market creativemarket.com ...